
Preview
AL-C-02-059-112
SPD™ Adjustable Locking Gas Springs from ASRaymond™ are Gas Springs that can be easily locked in any stroke position. The product uses an internal piston and valve actuated by a release pin in the rod. As a result, users can easily adjust the spring to meet their personal needs for optimal comfort and performance.
These Locking Gas Springs offer secure hold, precise positioning, and enhanced user comfort through their design. The high-quality locking feature ensures applications stay securely in place without creep, even after extended use, preventing unintentional movement that could cause accidents or injuries.
These Locking Gas Springs offer secure hold, precise positioning, and enhanced user comfort through their design. The high-quality locking feature ensures applications stay securely in place without creep, even after extended use, preventing unintentional movement that could cause accidents or injuries.
Optimize designs with the various mounting orientations, in addition to controlling the extension and compression speed with the damping capabilities. The universal rod thread provides flexibility for integration into different systems without an external power source.
ASRaymond's comprehensive catalog includes a range of locking options (flexible, rigid in extension, and rigid in compression). Achieving precision, safety, and cost-effectiveness with SPD’s Adjustable Locking Gas Springs.
Flexible Locking: Some movement may occur while locked when force is applied.
Rigid in Extension: While locked, no movement when force is applied to the rod in extension (pull); some movement if rod is compressed (pushed).
Rigid in Compression: While locked, no movement when force is applied to the rod in compression (push); some movement if rod is extended (pull).
ASRaymond's comprehensive catalog includes a range of locking options (flexible, rigid in extension, and rigid in compression). Achieving precision, safety, and cost-effectiveness with SPD’s Adjustable Locking Gas Springs.
Flexible Locking: Some movement may occur while locked when force is applied.
Rigid in Extension: While locked, no movement when force is applied to the rod in extension (pull); some movement if rod is compressed (pushed).
Rigid in Compression: While locked, no movement when force is applied to the rod in compression (push); some movement if rod is extended (pull).
Minimum quantity: 2
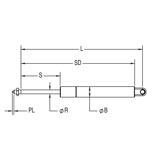
Diagram / specifications section

Preview
| L | Extended Length (in) | 22.76 |
| PL | Pin Length (in) | 0.315 |
| R | Rod Diameter / Inner Tube (in) | 0.394 |
| SD | Shoulder Distance (in) | 21.97 |
| S | Stroke (in) | 5.91 |
Item specifications
- Max. Operating Temperature (°F)176
- Min. Operating Temperature (°F)-13
- Spring TypeRigid in Compression
- Weight (lb)0.7707
